33kv Substation Single Line Diagram Pdf
- substation single line diagram
- substation single line diagram pdf
- 33kv Substation Single Line Diagram Pdf
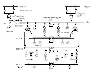
The substation can be described by their excitement class, their applications within the grid, the method used most isolate connections, and by the style and materials of structures used.. You may not use the services in commercial activities on non-commercial properties or apps or high volume activity without the written consent of ed.. The power from main bus was fed into a 20MVA transformer which stepped the voltage down to 33KV. Adobe Illustrator Cs6 Free Download For Mac Full Version
substation single line diagram
The substation can be described by their excitement class, their applications within the grid, the method used most isolate connections, and by the style and materials of structures used.. You may not use the services in commercial activities on non-commercial properties or apps or high volume activity without the written consent of ed.. The power from main bus was fed into a 20MVA transformer which stepped the voltage down to 33KV. 518b7cbc7d Adobe Illustrator Cs6 Free Download For Mac Full Version
substation single line diagram pdf
substation single line diagram, substation single line diagram pdf, substation single line diagram symbols, substation single line diagram explanation, substation single line diagram drawing, substation single line diagram drawing software, substation single line diagram autocad, 33/11kv substation single line diagram pdf, 33/11 kv substation single line diagram, 33kv substation single line diagram, substation one line diagram, 132kv substation single line diagram Download free youtube to mp4 converter convert youtube videos for android
The power is then fed into a 33KV bus from which different loads were tapped In the process, the surge impedance loading of 132 KV and 33 KV lines were calculated and they were used to estimate the maximum power that can be transferred by one transmission line.. Eess-1 0520-01 re~ oa f • '! , vato single line diagram this drawing is a design tool. Artlantis Sketchup Crack For Mac